Electric Scholar: Where
Complexity Becomes Clarity.
Power up your expertise. Sign up for exclusive tutorials, innovative project ideas, and exclusive insights from the world of electrical engineering.
Latest Posts
Resistors are the most fundamental and basic electronic components. Even though they are simple, they are essential for every circuit. Their primary job is to “resist”...
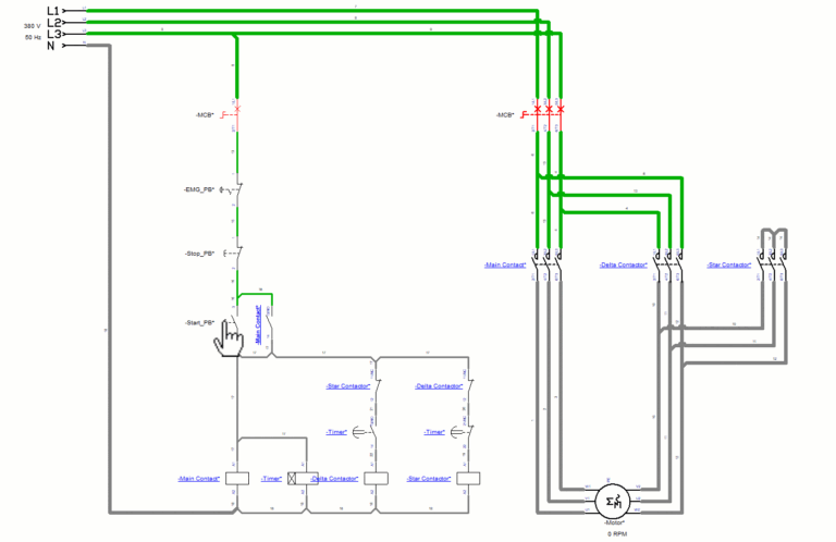
What is the Star-Delta Starter A star-delta starter is a common and cost-effective method for starting a three-phase induction motor. When you start a large electrical motor, in...
Ladder diagram programming is very similar to how electrical push-buttons work. Since the logic is nearly identical, we will first look at how electricity flows through a simple...
Introduction PLC stands for Programmable Logic Control is simply a special computer that is programmed to control certain processes in industries. PLCs are used for several key...
